Separator Vessel Manufacturer
for Oil, Gas, and Process Plants
Built for gas-liquid, oil-gas-water, and pressure separation service. Gelan supports custom separator vessel fabrication based on your duty, medium, layout, and project requirements.
- ASME U Stamp support
- Horizontal and vertical fabrication
- NDT and hydrotest before shipment
- Custom internals for project duty
What Is a Separator Vessel / Drum
A separator vessel is a pressure vessel used to separate gas, liquid, or mixed media in industrial processes. It helps keep flow stable and protects downstream equipment.
In many projects, it is also called a separator drum. Depending on the duty, it can be designed for gas-liquid or oil-gas-water separation.
Add Your Heading Text Here
Oil-Gas-Water Separation
Common Separator Vessel Types for Different Process Needs
Separator vessel needs can vary from basic separation to buffering, receiving, or testing service. Gelan supports custom fabrication for different process duties, including the common vessel types below.
Knockout Drum
Used where liquid must be removed before gas moves to the next unit.
Flash Drum
Used where gas and liquid need to be separated after pressure drop or flashing.
Scrubber
Used where cleaner gas flow is needed before downstream equipment.
Test Separator
Used where process streams need to be separated and checked during testing service.
Surge Drum
Used where the system needs temporary holding or more stable flow between process steps.
Receiver Vessel
Used where liquid or condensate needs to be collected before transfer or reuse.
If your required vessel is not listed here, Gelan can support custom design and fabrication based on your actual process duty.
Typical Technical Specifications of a Custom Separator Vessel
Separator vessel specifications vary by duty, pressure, medium, and project standard. The items below are typically confirmed for a custom project.
| Item | Typical Option |
|---|---|
| Vessel Type | Horizontal or vertical |
| Separation Duty | 2-phase, 3-phase, or buffer + separation |
| Design Pressure | Based on project requirement |
| Design Temperature | Based on operating condition |
| Material | Carbon steel, stainless steel, duplex, clad, or specified material |
| Diameter / Length | Customized based on capacity and layout |
| Internals | Inlet device, mist eliminator, coalescer, baffle, weir, vortex breaker |
| Inspection | NDT, hydrotest, and project-required testing |
| Documents | GA drawing, nozzle schedule, MTC, NDT reports, data book |
*Gelan supports custom design and fabrication based on your pressure, medium, layout, and project specifications.
How Gelan Provides Separator Vessels for Your Project
Designed for Your Operating Pressure and Temperature
A separator vessel that does not match your pressure or temperature range can quickly create design changes, approval delays, or operating risk.
Gelan approach:
- Design based on your actual operating pressure and temperature
- Confirm vessel thickness, structure, and configuration before fabrication
- Match the vessel to the required project standard
Matched to Your Medium and Service Conditions
Corrosive, sour, toxic, flammable, or foaming media can affect both material selection and internal design.
Gelan approach:
- Review medium characteristics before finalizing the vessel design
- Match material and internal arrangement to the actual service
- Support project-specified materials where required
Designed Around Your Separation Target
If the separation target is not defined clearly, the vessel may not deliver the outlet condition your process needs.
Gelan approach:
- Review your required separation duty and outlet target
- Match vessel design to gas-liquid, oil-water, or multi-phase service
- Adjust the configuration based on your actual process need
Custom Internals for Better Separation Performance
Much of the separator vessel’s actual performance depends on the internal design, not just the shell itself.
Gelan approach:
- Select internals based on your duty, medium, and carryover requirement
- Support inlet devices, mist eliminators, coalescers, baffles, weirs, and other internals
- Adjust internal arrangement for your operating condition
Ready for Project Review, Handover, and Installation
Even when the vessel is correctly built, missing inspection records or incomplete handover documents can still delay the project.
Gelan approach:
- Support RT / UT / PT / MT as required
- Provide hydrotest records before shipment
- Deliver a data book with project documents such as U-1, MTC, NDT, and test reports
- Support skid-mounted solutions for easier installation and site integration
Where Separator Vessels Are Used
Used where your refinery process needs a vessel between reaction, compression, flash, or transfer steps to keep gas and liquid from moving together into the next unit
Oil Refining
Used where different process streams need to be separated, liquid needs to be collected, or an intermediate vessel is needed between two process sections
Petrochemical
Used where liquid needs to be removed before compression or purification, helping protect downstream units and keep the process more stable
Hydrogen Production
Used where the gas stream still contains liquid, where condensed liquid needs to be collected, or where the stream must be cleaned before the next treatment step
Gas Processing
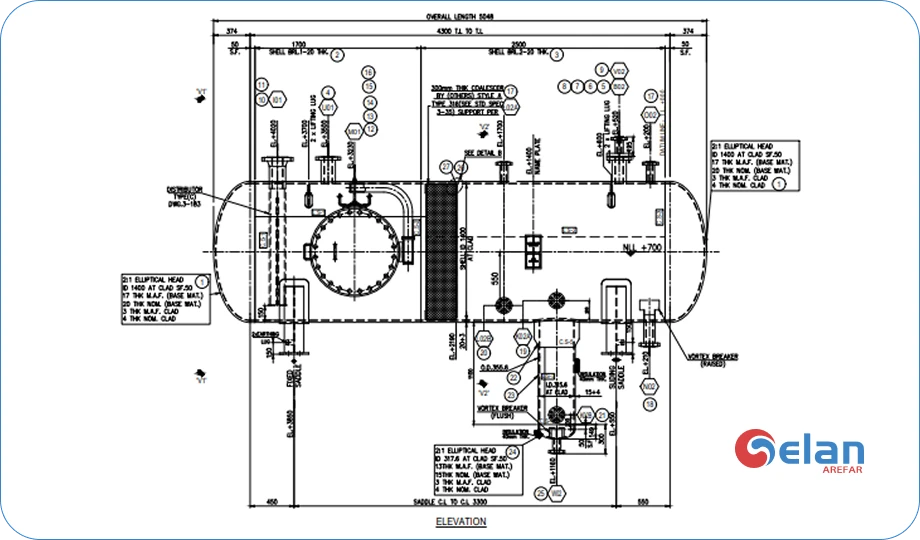
Separator Vessel Projects Delivered by Gelan
Three-Phase Separator Vessel Project
Project Background:
Key requirement:
Reliable three-phase separation, stable liquid level control, and lower gas outlet carryover risk, with full inspection and documentation support for project delivery.
Gelan support:
- Horizontal separator vessel fabrication for 3-phase service
- Custom internal design including inlet device, weir, and mist elimination support
- Fabrication, NDT, hydrotest, and project documentation based on specification
Result:
- Low ppm gas outlet carryover target based on project requirement
- Mist removal for droplets ≥10 μm with selected internals
- 100% hydrotest completed before shipment
- Delivered with inspection records and full documentation package
Related Equipment for Industrial Separator Vessel
Separator vessels usually work with other key equipment in the process system. Based on your process flow and project scope, Gelan can also support the following related equipment.
Shell & Tube Heat Exchanger
Used where the process stream needs heating, cooling, or partial condensation before or after separation.
Air Cooler
Used where the stream needs air cooling before entering the separator vessel or after liquid and gas are separated.
Distillation Column
Used where the separated stream moves to the next stage of fractionation, stripping, or process treatment.
Storage Tank
Used where separated liquid, condensate, or recovered product needs temporary storage before transfer or reuse.
Preheater
Used where the process stream needs temperature adjustment before entering the separator vessel or the next unit.
Waste Heat Boiler
Used in projects where heat recovery and separation are both part of the overall process system.
Cracking Furnace
Used in petrochemical projects where separator vessels support upstream or downstream process handling around cracking service.
Steam Methane Reformer
Used in hydrogen production systems where separator vessels help handle process gas and condensate around reforming service.
Atmospheric Furnace
Used in refinery systems where separator vessels are part of the upstream or downstream process flow around crude heating service.
Vacuum Furnace
Vacuum Furnace
Used in refinery projects where separator vessels support process handling around vacuum distillation service.
FAQ About Separator Vessels / Drums
What is the difference between a separator vessel and a separator drum?
In many projects, these two names are used in a very similar way. What matters more is the actual duty, pressure, medium, and internal design, not just the equipment name.
How do I know whether I need a 2-phase or 3-phase separator?
If you only need to separate gas and liquid, a 2-phase separator is usually enough. If oil, gas, and water must be separated in the same vessel, you usually need a 3-phase separator.
Should I choose a horizontal or vertical separator vessel?
That depends on your gas-liquid ratio, liquid volume, available space, and operating conditions. Industry guidance notes that separator selection depends heavily on gas-liquid ratio and flow variability, while vertical separators are widely used for many common two-phase services.
What are the most common uses of a separator vessel in a project?
Customers often need separator vessels before compressors, in condensate recovery service, in flash service, or as intermediate vessels between process steps. Common project names include knockout drum, reflux drum, process condensate recovery drum, and slug catcher.
Why does a separator vessel fail to separate properly?
Poor separation usually happens because the wrong vessel type was selected or the vessel was not sized correctly for the actual duty. These are identified as two of the most common causes of underperforming gas-liquid separators.
Do separator vessels always need special internals?
Not always. Some services only need a basic vessel, while others need internals to improve separation and reduce carryover. Gelan can help match the internal design to your process duty and separation target.
Can a separator vessel be customized for my project?
Yes. Most separator vessels are built around actual process conditions, not selected as a fixed standard product. If your project has special duty, pressure, material, or layout requirements, Gelan can provide custom support.
What information should I send for a quote?
The most useful starting points are separation duty, pressure, temperature, medium, flow rate, preferred orientation, and any available P&ID, datasheet, or nozzle requirement.
Can Gelan support non-standard separator vessel projects?
Yes. If your project calls the equipment a knockout drum, flash drum, scrubber, test separator, surge drum, or receiver vessel, Gelan can review the actual duty and support custom design and fabrication.
Talk to Gelan About Your Separator Vessel Project
Whether you need a standard separator vessel or a custom project solution, Gelan can support your requirements with project-based design and fabrication.